Lampada HID Philips BSN 400 K407-ITS 230/240V 50Hz BC3-166
200,02 €
163,95 €
IVA esclusa
IVA incl.
Spedizione prevista prima del 17 febbraio
Una maggiore quantità?
- Spedizioni gratuite da 200 € IVA incl.Spedizioni gratuite da 164 € IVA esclusa
- Cliente commerciale? Acquisto su conto corrente
- Reso entro 14 giorni
Scheda tecnica
Chiaro
Dati tecnici
|
i
La quantità raccomandata si riferisce al numero di prodotti preconfezionati dal produttore. Quando si acquista questa quantità, consegniamo i prodotti nella confezione originale del produttore.
|
Quantità confezione bulk | 2 |
|---|
Dati tecnici
| SKU | 180341 | |
|---|---|---|
| EAN | 8711500881571 | |
| Marca | Philips | |
| Nome del fabbricante | BSN 400 K407-A2-ITS 230/240V 50Hz BC3 | |
|
i
La nostra garanzia totale è inclusa nel prezzo del prodotto e copre sia i difetti nascosti che i difetti tecnici del prodotto che si sono verificati prima della consegna. Il periodo di garanzia varia a seconda del prodotto e va da 1 anno a un massimo di 7 anni.
|
Garanzia Totale di Lampadadiretta | 1 anno |
Informazioni tecniche
|
i
La tecnologia indica il modo in cui una fonte di luce funziona. L'esempio più conosciuto ed efficiente dal punto di vista energetico è il LED. Altre tecniche includono l'alogeno, la scarica di gas e il fluorescente.
|
Tecnologia | Accessorio |
|---|---|---|
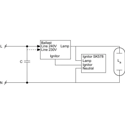
| Utilizzabile con lampade | CDM, CDO, HPI, MH, SON | |
| Ballast per lampade | CDM, CDO, HPI, MH, SON | |
| Potenza Lampada | 400 | |
|
i
Con gli apparecchi dimmerabili si può rregolare l'intensità luminosa. Quando si abbassa la potenza della luce si consuma meno energia elettrica e si risparmia quindi sui costi energetici. Le lampade dimmerabili possono anche essere usate per creare un'atmosfera molto accogliente. Tieni presente che hai bisogno di un dimmer LED per regolare apparecchi LED.
|
Dimmerabile | Non dimmerabile |
| Numero di lampadine | 1 | |
|
i
L'illuminazione con sensore si accende solo quando riceve un segnale specifico. Ciò riduce i costi energetici. I sensori (integrati) reagiscono al buio (interruttore crepuscolare) e/o al movimento (sensore di movimento).
|
Tipo di sensore | Nessun sensore |
| Tipo di Prodotto | Accessory - HID Ballast |
Gear Information
| EOC8 | 88704400 | |
|---|---|---|
| Product Serie | BSN 400 |